熱門搜索: 伺服超聲波焊接機 超聲波塑料焊接機 超聲波焊接自動化配套 手持式超聲波切割機 招商加盟
咨詢熱線
13612231694
埃夫特大型機器人
適用場景:可應用于點焊、螺柱焊、搬運、碼垛等各種場景。
適用行業:適用于汽車零部件、光伏、食品飲料、建材、倉儲物流等行業。
特點:得益于高剛性的結構,配合高速智能碼垛工藝包,效率提升20%,幫助客戶多快好省的完成工作;集成了多個行業專用工藝包,配合軟PLC和各種總線接口,幫助客戶輕松面對各種工藝挑戰。
13612231694
01得益于高剛性的結構,配合高速智能碼垛工藝包,效率提升20%,
02集成了多個行業專用工藝包
03配合軟PLC和各種總線接口,幫助客戶輕松
面對各種工藝挑戰。
04可應用于點焊、螺柱焊、搬運、碼垛等各種場景
05適用于汽車零部件、光伏、食品飲料、建材、倉儲物流等行業
Operating ranges
可達半徑:600mm
控制軸數:4
手腕可搬運質量:22kg
可達半徑:1391mm
控制軸數:6
手腕可搬運質量:12kg
可達半徑:1850mm
控制軸數:6
手腕可搬運質量:25kg
.
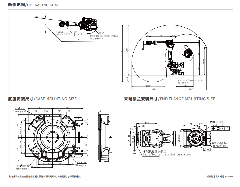
可達半徑:2674mm
控制軸數:6
手腕可搬運質量:210kg
可達半徑:3074mm
控制軸數:6
手腕可搬運質量:10kg
可達半徑:2674mm
控制軸數:6
手腕可搬運質量:210kg
.
微信咨詢
聯系電話